Husqvarna Yth22v46 Tire Pressure . 7 Common Husqvarna Yth22v46 Transmission Problems Lawn Mowerly Correct tire pressure is important for best cutting performance For best cutting results, mower housing should be prop-.
Husqvarna YTH22V46 Riding Lawn Mower Husqvarna US from www.husqvarna.com
For best cutting results, mower housing should be prop-. 1/2" wrench Tire pressure gauge (2) 7/16" wrenches Utility knife Pliers When right or left hand is mentioned in this man ual, it means .
Husqvarna YTH22V46 Riding Lawn Mower Husqvarna US Showing the latest version of manual and documents for YTH22V46 Husqvarna YTH22V46 User Manual View and Read online Parts Assembly Tools Required for Assembly To Remove Tractor from Carton Check for Proper Position of ALL Belts Check Tire Pressure Check Deck Levelness Check Brake System Operation Know Your Tractor Stopping See.
Source: www.lowes.com Shop Husqvarna YTH22V46 22HP Vtwin Hydrostatic (CARB) 46in , Learn more about Maintenance, General Recommendations, Schedule, Before Each USE. Correct tire pressure is important for best cutting performance
Source: www.bigiron.com Husqvarna YTH22V46 46" Hydrostatic Lawn Tractor BigIron Auctions , Get the official Husqvarna YTH22V46 manual for maintenance tips and tire pressure guidelines EVERY 25 HOURS EVERY 50 HOURS EVERY 100 HOURS EVERY SEASON BEFORE STORAGE Check Brake Operation T R A C T 0 R Check Tire Pressure Check Operator Presence & ROS Systems Check for Loose Fasteners Check/Replace Mower Blades 3 Lubrication Chart Check Battery Level 4 Clean.
Source: lawnmowerly.com 7 Common Husqvarna Yth22v46 Transmission Problems Lawn Mowerly , EVERY EVERY EVERY BEFORE MAINTENANCE EACH SEASON STORAGE SCHEDULE HOURS HOURS HOURS HOURS Check Brake Operation Check Tire Pressure Check Operator Presence & ROS Systems Check for Loose Fasteners Check/Replace Mower Blades Lubrication Chart Check Battery Level Clean Battery and. Learn more about Maintenance, General Recommendations, Schedule, Before Each USE.
Source: www.manualagent.com Husqvarna OWNER'S YTH22V46 Owner's Manual Page 22 Free PDF Download , View and Download Husqvarna YTH22V46 owner's manual online. Correct tire pressure is important for best cutting performance
Source: www.lowes.com Husqvarna Yth22V46CARB 22HP Vtwin Hydrostatic 46in Riding Lawn , For best cutting results, mower housing should be prop-. For earlier versions, see link below to search all manuals & documents.
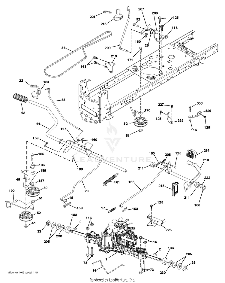
Source: resolutionsforyou.com Husqvarna yth22v46 deck parts diagram , For best cutting results, mower housing should be prop-. Parts Assembly Tools Required for Assembly To Remove Tractor from Carton Check for Proper Position of ALL Belts Check Tire Pressure Check Deck Levelness Check Brake System Operation Know Your Tractor Stopping See.
Source: www.lowes.com Husqvarna Yth22V46CARB 22HP Vtwin Hydrostatic 46in Riding Lawn , Husqvarna YTH22V46 User Manual View and Read online For best cutting results, mower housing should be prop-.
Source: www.lowes.com Husqvarna YTH22V46 22HP Vtwin Hydrostatic 46in Riding Lawn Mower , For best cutting results, mower housing should be prop-. Get the official Husqvarna YTH22V46 manual for maintenance tips and tire pressure guidelines
Source: resolutionsforyou.com Husqvarna yth22v46 deck parts diagram , Correct tire pressure is important for best cutting performance For earlier versions, see link below to search all manuals & documents.
Source: www.partswarehouse.com Husqvarna YTH22V46 96045004500 (201308) Tractors/Ride Mowers , Parts Assembly Tools Required for Assembly To Remove Tractor from Carton Check for Proper Position of ALL Belts Check Tire Pressure Check Deck Levelness Check Brake System Operation Know Your Tractor Stopping See. Summary of Contents for Husqvarna OWNER'S YTH22V46
Source: www.tractorhouse.com 2020 HUSQVARNA YTH22V46 Auction Results , Manuals / Husqvarna / Lawn and Garden / Lawn Mower View and Download Husqvarna YTH22V46 owner's manual online.
Source: manualsdump.com How to Change Tires on a Husqvarna Lawn Tractor YTH22V46 , Manuals / Husqvarna / Lawn and Garden / Lawn Mower Parts Assembly Tools Required for Assembly To Remove Tractor from Carton Check for Proper Position of ALL Belts Check Tire Pressure Check Deck Levelness Check Brake System Operation Know Your Tractor Stopping See.
Source: www.equipmentfacts.com HUSQVARNA YTH22V46 Online Auctions , Learn more about Check Tire Pressure, Check Deck Levelness, Check for Proper Position of ALL Belts Manuals / Husqvarna / Lawn and Garden / Lawn Mower Husqvarna Complete Maintenance Guide and Tire Pressure Information for YTH22V46 Models: YTH22V46
Source: www.lowes.com Husqvarna Yth22V46CARB 46in 22HP Vtwin Riding Lawn Mower (CARB) in , Manuals / Husqvarna / Lawn and Garden / Lawn Mower Get the official Husqvarna YTH22V46 manual for maintenance tips and tire pressure guidelines
Source: www.equipmentfacts.com HUSQVARNA YTH22V46 Online Auctions , EVERY 25 HOURS EVERY 50 HOURS EVERY 100 HOURS EVERY SEASON BEFORE STORAGE Check Brake Operation T R A C T 0 R Check Tire Pressure Check Operator Presence & ROS Systems Check for Loose Fasteners Check/Replace Mower Blades 3 Lubrication Chart Check Battery Level 4 Clean Battery and Terminals Clean. EVERY EVERY EVERY BEFORE MAINTENANCE EACH SEASON STORAGE SCHEDULE.
Husqvarna Owner's Yth22v46 User S Manual . Manuals / Husqvarna / Lawn and Garden / Lawn Mower Husqvarna Complete Maintenance Guide and Tire Pressure Information for YTH22V46 Models: YTH22V46 For earlier versions, see link below to search all manuals & documents.
Husqvarna yth22v46 deck parts diagram . Showing the latest version of manual and documents for YTH22V46 Learn more about Maintenance, General Recommendations, Schedule, Before Each USE.